Mechanics

The mechanical part of BLINKENmini is mainly built out of wood and consists of 4 layers.

Window Pane

The window pane is at the front of BLINKENmini and consists of clear plastic. It is lit by the LEDs on the middle board. To achive a smooth and fully lit window, the pane is covered with greaseproof paper from behind.


window pane

Lattice

The lattice is between the window pane and the middle board. It shields the windows from each other, so that no window lits the windows around it. It consists of 9 horizontal slats and 19 vertical slats.

horizontal slat     vertical slat     lattice


assembled lattice

Middle Board

The middle board carries the LEDs and is placed behind the lattice. There is a single LED in the center of every window. Horizontal wires are mounted on the board to hold the LEDs in place. At the back we've also mounted the diodes for protection against wrong polarity.

middle board     wires and LEDs at middle board


front view of middle board

detailed front view of middle board

rear view of middle board

detailed rear view of middle board

view of diodes at back

detailed view of diodes at back

Backplane

The backplane carries the circuit and the connectors. Slattices are glued at the borders of the backplane to keep it in the right distance from the middle board.

backplane


backplane without circuit

backplane with circuit in place

top view of plugs in backplane

side view of plugs in backplane

internal view of plugs in backplane

connected plugs

connected power plug

Electronics

The electronics of BLINKENmini can be divided into 5 parts. 4 Parts are meanly located at a single circuit borad at the backplane. The communication with the PC is done using the parallel port.

schematic of entire circuit

Power Supply

We did not built our own power supply. We bought an external one which is capable of supplying 5V at up to 13A.

power supply

plugs of power supply

Power Input

Of course, we secured the power input with fuses. One 1A fuse is for the chips and one 6.3A fuse is for each the top and the bottom half of the LEDs. To avoid damage due to wrong polarity, the input is secured with diodes. Because of the high current, there is a diode for the chips and every row of LEDs has got its own power diode.

left part of circuit

left part of circuit in place

Clock Generator

The clock generator uses two inverters (CMOS 4069) to form a clock signal whose frequency is around 2 kHz and can be finetuned by using a potentiometer. This clock signal is connected to the ACK bit of the parallel port to generate an IRQ every half of an millisecond. We had some problems with this configuration due to the relatively high current of about 10mA needed by the ACK-input when in IRQ-mode. So we now use a NPN-transistor to amplify the current.

Data Output

The output circuit mainly consists of latched serial-in parallel-out shift registers (CMOS 4094), darlington tansistor arrays (ULN2803) and the LEDs (yellow, 50 mA). The shift registers form 8 chains of 24 bit (only 18 bits used) each. Theese shift-registers are loaded serially from the parallel port and then the new data is latched to the output. The darlington transitor arrays are controlled by the parallel outputs of the shift-registers and switch the negative pole of the LEDs. Of course, the LEDs are in series with a resistor. (We know it had been easier to use 9 chains of shift-registers, but we had not enough free pins on the parallel port.)

front view of circuit

rear view of circuit

right part of circuit

right part of circuit in place

Data Input

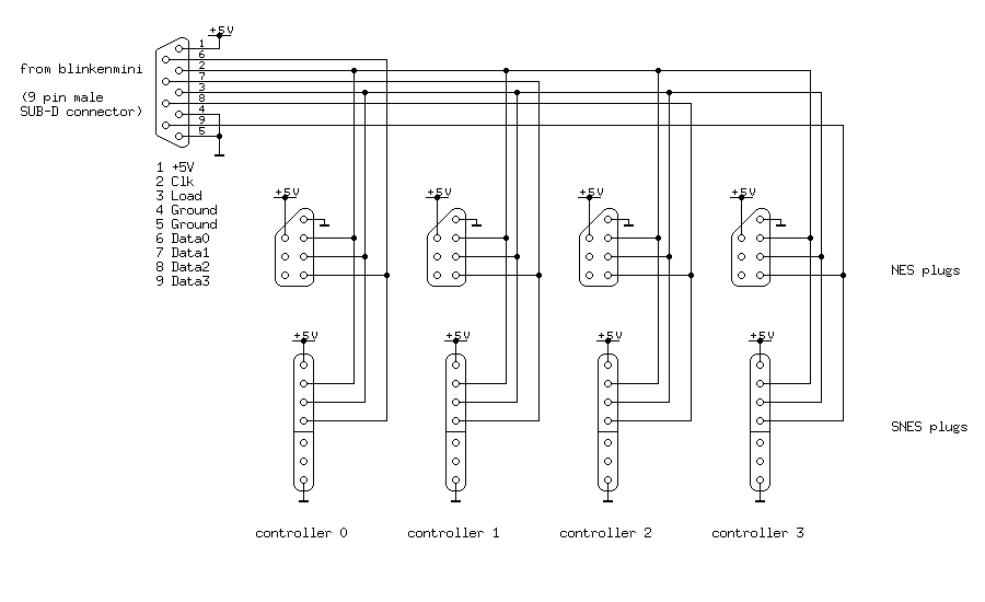
To play some little games on BLINKENmini we decided to use 4 (S)NES-controller compatible inputs. Theese inputs use parallel-in serial-out shift registers (CMOS 4021) to read in up to 16 buttons. The data inputs are pulled up by a 10kOhm resistor each to achieve released buttons when no controller is connected. We use a standard 9 pin SUB-D type plug to attach our controller-adapter to BLINKENmini. We've plugged a few (S)NES-controllers into this adapter, which only consists of a plug, some nails and wires.

schematic of controller-adapter


controller adapter

controller adapter (opened)

controller adapter with pad attached

More Pictures


internal view

almost completed, only pane missing (power off)

almost completed, only pane missing (power on)

completed (power off)

completed (power on)

Miscellaneous

part list (for those who want to built BLINKENmini)

[Imprint]
[Privacy Policy]